FCF撓曲銅箔
產品規格:
公司可提供名義厚度9~35μm不同寬幅的FPC專用銅箔。
產品性能:
產品表面呈灰黑色或紅色,表面粗糙度較低。
產品用途:
適用于撓性覆銅板(FCCL)、精細電路FPC、LED用覆晶溥膜。
使用優點:
材料本身具有較高的致密度,并具有較高的耐彎曲性和良好的蝕刻性能。
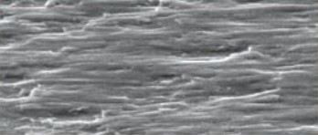
產品表面金相:
? ? |
?![]() |
?![]() |
|
SEM(表面未處理前) |
SEM(表面處理后光面) |
SEM(表面處理后毛面) |
表1:FPC銅箔特性(執行 GB/T5230-2000、IPC-4562A-2000等標準)
|
項目 |
單位 |
9μm |
12μm |
18μm |
35μm |
|
|
銅含量 |
% |
≥99.8 |
||||
|
單位面積重量 |
g/m2 |
80±3 |
107±3 |
153±5 |
283±7 |
|
|
抗拉強度 |
R.T.(23℃) |
Kg/mm2 |
≥28 |
|||
|
H.T.(180℃) |
≥15 |
≥15 |
≥15 |
≥18 |
||
|
延伸率 |
R.T.(23℃) |
% |
≥5.0 |
≥5.0 |
≥6.0 |
≥10 |
|
H.T.(180℃) |
≥6.0 |
≥6.0 |
≥8.0 |
≥8.0 |
||
|
表面粗糙度 |
光面(Ra) |
μm |
≤0.43 |
|||
|
毛面(Rz) |
≤2.5 |
|||||
|
剝離強度 |
R.T.(23℃) |
Kg/cm |
≥0.77 |
≥0.8 |
≥0.8 |
≥0.8 |
|
耐藥品性 (18%-1hr/25℃) |
% |
≤7.0 |
||||
|
高溫防氧化 (E-1.0hr/200℃) |
% |
優異 |
||||
|
耐浸焊290℃ |
Sec. |
≥20 |
||||
|
表面(斑點及粉塵) |
---- |
無 |
||||
|
針孔 |
EA |
無 |
||||
|
尺寸公差 |
寬度 |
mm |
0~2mm |
|||
|
長度 |
mm |
---- |
||||
|
芯管 |
Mm/inch |
內徑79mm/3英寸 |
||||
注:
1.銅箔抗氧化性能、面密度指標可協商。
2.性能指標以本公司的檢測方法為準。
3.品質保證期限自收貨日起90天。











QQ咨詢
021-56351345